氣液增壓缸一體式氣路連接圖文
看見在網上經常有人在搜氣液增壓缸一體式氣路連接圖文,今天玖容小編就拿自家的JRF快速單列式氣液增壓缸的氣路連接圖(是一體式的哦)來給大家伙說說。
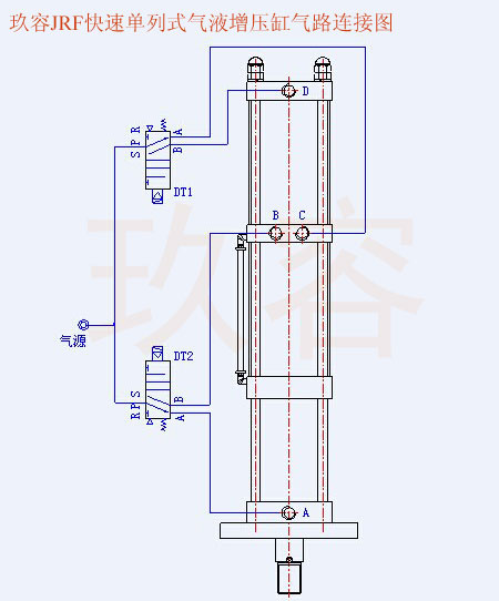
1、DT1A氣管接C氣口。
2、DT1B氣管接D氣口。
3、DT2A氣管接A氣口。
4、DT2B氣管接B氣口。
注:A氣口:增壓缸預壓回位氣口;B氣口:增壓缸預壓下降氣口;C氣口:增壓缸增壓回位氣口;D氣口:增壓缸增壓下降氣口;DT1:增壓缸控制預壓電磁閥;DT2:增壓缸控制增壓電磁閥。
以上就是本篇文章所講的氣液增壓缸一體式氣路連接圖文內容了,如大家對氣液增壓缸一體式還有什么問題或疑問的地方,歡迎前來玖容氣液增壓缸廠家官方網站咨詢了解,亦可撥打咨詢熱線電話:400-833-2669。
下面是JRF氣液增壓缸一體式氣路連接圖文說明:
1、DT1A氣管接C氣口。
2、DT1B氣管接D氣口。
3、DT2A氣管接A氣口。
4、DT2B氣管接B氣口。
注:A氣口:增壓缸預壓回位氣口;B氣口:增壓缸預壓下降氣口;C氣口:增壓缸增壓回位氣口;D氣口:增壓缸增壓下降氣口;DT1:增壓缸控制預壓電磁閥;DT2:增壓缸控制增壓電磁閥。
以上就是本篇文章所講的氣液增壓缸一體式氣路連接圖文內容了,如大家對氣液增壓缸一體式還有什么問題或疑問的地方,歡迎前來玖容氣液增壓缸廠家官方網站咨詢了解,亦可撥打咨詢熱線電話:400-833-2669。
下一篇:氣液增壓缸如何正確卸壓?
上一篇:增壓缸是什么元件?